Die DBHD Bauweise bringt die bestmögliche, perfekte Sicherheit.
DBHD spart der BRD dann auch über 107 Mrd. EUR !!! - Das "NaPro der
Schande" AZ 792/25 ist am 30.01.2026 Top 43 47 im Bundesrat - NEIN !
Mit NEIN abstimmen und in den Vermittlungs-Ausschuss geben. Ing. G.








Der Unterschied im elektrochemischen Potential zwischen Edelstahl und Blei ist groß
und führt zu einer bimetallischen Korrosion, bei der das unedlere Metall (Blei) korrodiert,
während das edlere Metall (Edelstahl) geschützt wird.
Allerdings gibt es in Tiefen von -1.400 bis -2.200 m keinen freien Sauerstoff.
Die Korrosion wird also auf ein nicht mehr messbares Maß verlangsamt.



wie man Endlager-Sicherheit einpflegt
und die Bergleute weiter qualifiziert ...
Das ist ein CDU SPD Reform-Programm
Das ist ein Kosten-Vergleich der
Nukleare Langzeit-Sicherheit bringt
und 107 Mrd. EUR Kosten mit einer
besseren Endlager-Methodik spart.
Sicherheit - NaPro BRD von DBHD
Vom Nutzen des Zweifels und der
modernen Bohrtechniken von Fa.
Herrenknecht und Fa. Epiroc und
Redpath-Deilmann, Gebr. Dreher
President Putin agreed generally to Peace Contract 27.11.2025


Sehr geehrter Bundeskanzler, Sehr geehrtes Bundeskabinett
Ich bitte im Namen der Branche um Entschuldigung das wir Sie
als Kanzler und Jurist mit einer technischen Sache belästigen.
Mit Endlager lässt sich keine Wahl gewinnen, aber man kann
damit 100 Mrd. EUR zu viel verbrennen und NICHTS erreichen.
Hat Ihr Kabinett vor oder am 05.12.2025 ein NaPro BRD an EU
vom BMUKN als für richtig befunden und anerkannt ? Ja / Nein
Bitte geben Sie das zielführende NaPro von DBHD ab.
Perfekte Sicherheit und 100 Mrd. EUR gespart. Sie haben
geschworen Schaden von der BRD abzuwenden Herr Merz.
Das NaPro der Schande vom BMUKN hat die EU bereits
abgelehnt. - Für den Fall das Ihr Mut am 05.12.2025 nicht
gereicht hat !? - hier ein Vorschlag zur Vorbereitung einer
besseren NaPro Entscheidung in 2028 - MfG - Ing. Goebel
4 Ingenieure die auf Englisch auf den CAD Zeichner Vitali Gorunenko UA einreden - aber es wird - Grundriss-Arbeit



ing-goebel.shop
Verkauf von Urheber-Rechts-Lizenzen >>> zum Shop
Der Weg bis zur funktionierenden Endlager-Planung
war 14 Jahre lang ! - 58.240 h allein von Ing. Goebel !
Die Stunden der Physiker und Mitarbeiter aus 14 J. ?
copyright licenses buy "is a duty" >>> to GDF shop
Made in Germany, is not just a phrase - Seriously
DBHD Endlager-Planung ist
nach 14 J. vollständig +++
DBHD 2.0.1 HLW Endlager Tiefsalz : tief, trocken, gas-dicht
und mit dem Nachweis ewiger Unterkritikalität im Endlager.
Artikel enthält : "Entsorgungs-Vorsorge-Nachweis" lt. AtG
Gut wenn Regierung, Behörden und EVU Konsens können
Es gibt jetzt eine Extra-Seite - Endlager-Leitfaden für Politiker
DBHD HLW Endlager besteht die Thermodynamik-Prüfung
mit + 60,5 K nach 215 Jahren und kommt in NaPro BRD 2025
Gelände-Anhebung 7,6 m mit Durchmesser 500 m nach 240 J.
Die Minder-Mengen der Schweizer in GNS Castoren nehmen !
Die Französischen HLW Behälter ? Das wäre ein XXL Geschäft
Japaner gucken hier auch schon ! - Die haben nur Festgestein
Ing. Goebel möchte auch gern nukleare Abrüstung einlagern.
EU Umwelt-Minister-Treffen EU GDF 2025 - Einladungen.
Endlager-Geologie in Kasachstan gefunden - Alternative.
Die US Geologien liegen uns bereits alle vor - NWTWB fragen ?
Kontakt mit Entergy Corp. Louisiana und Arkansas gefunden.
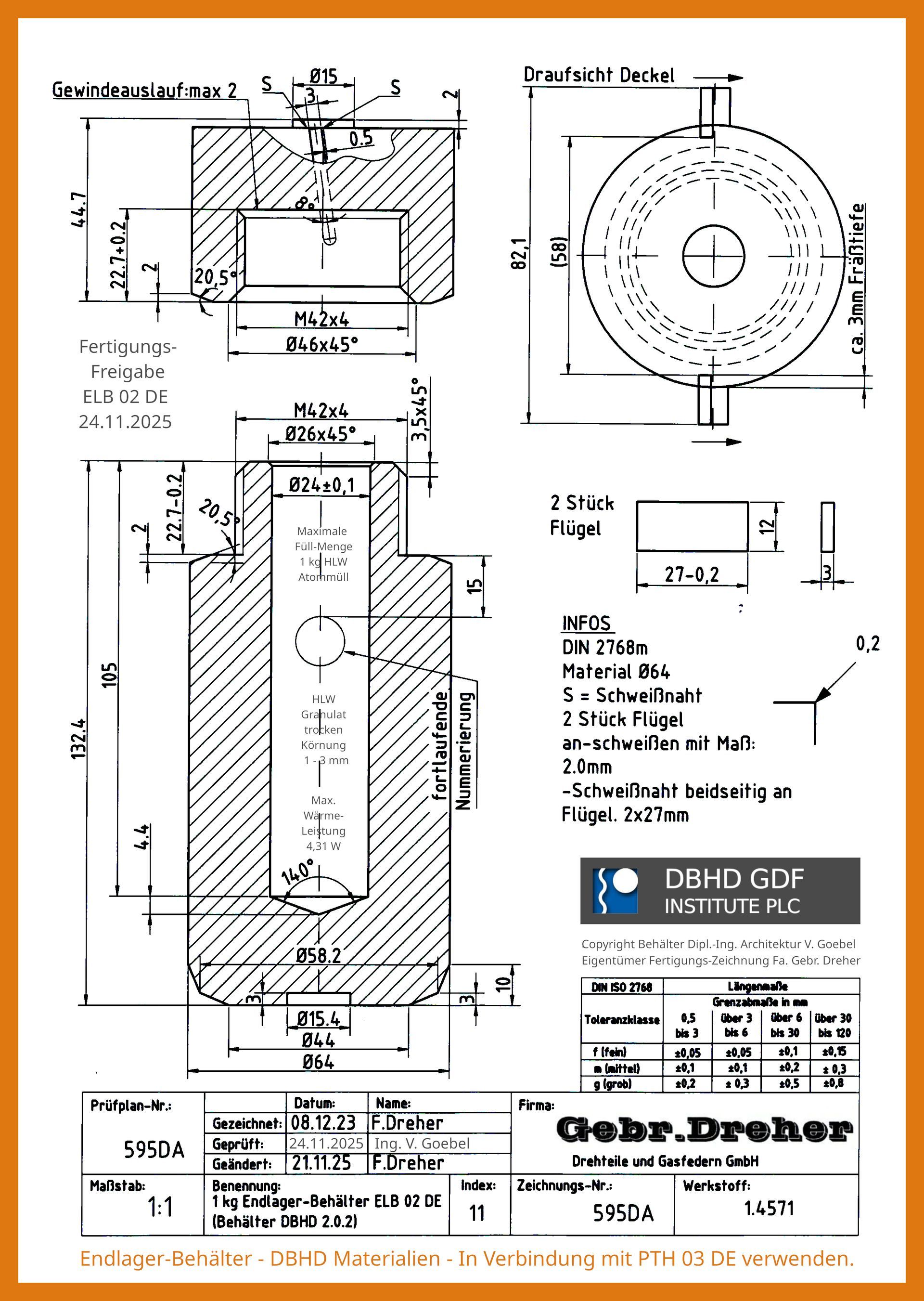
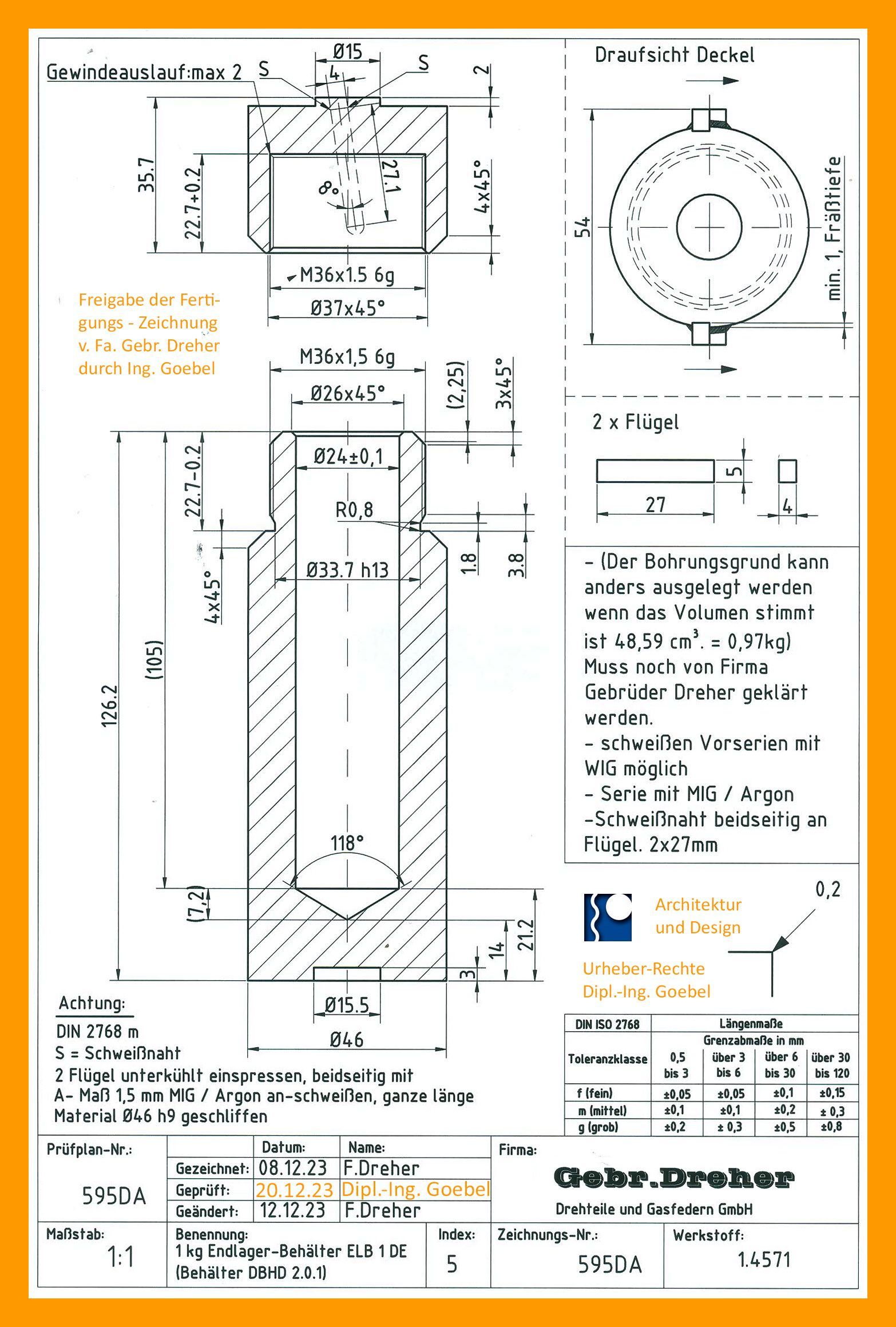
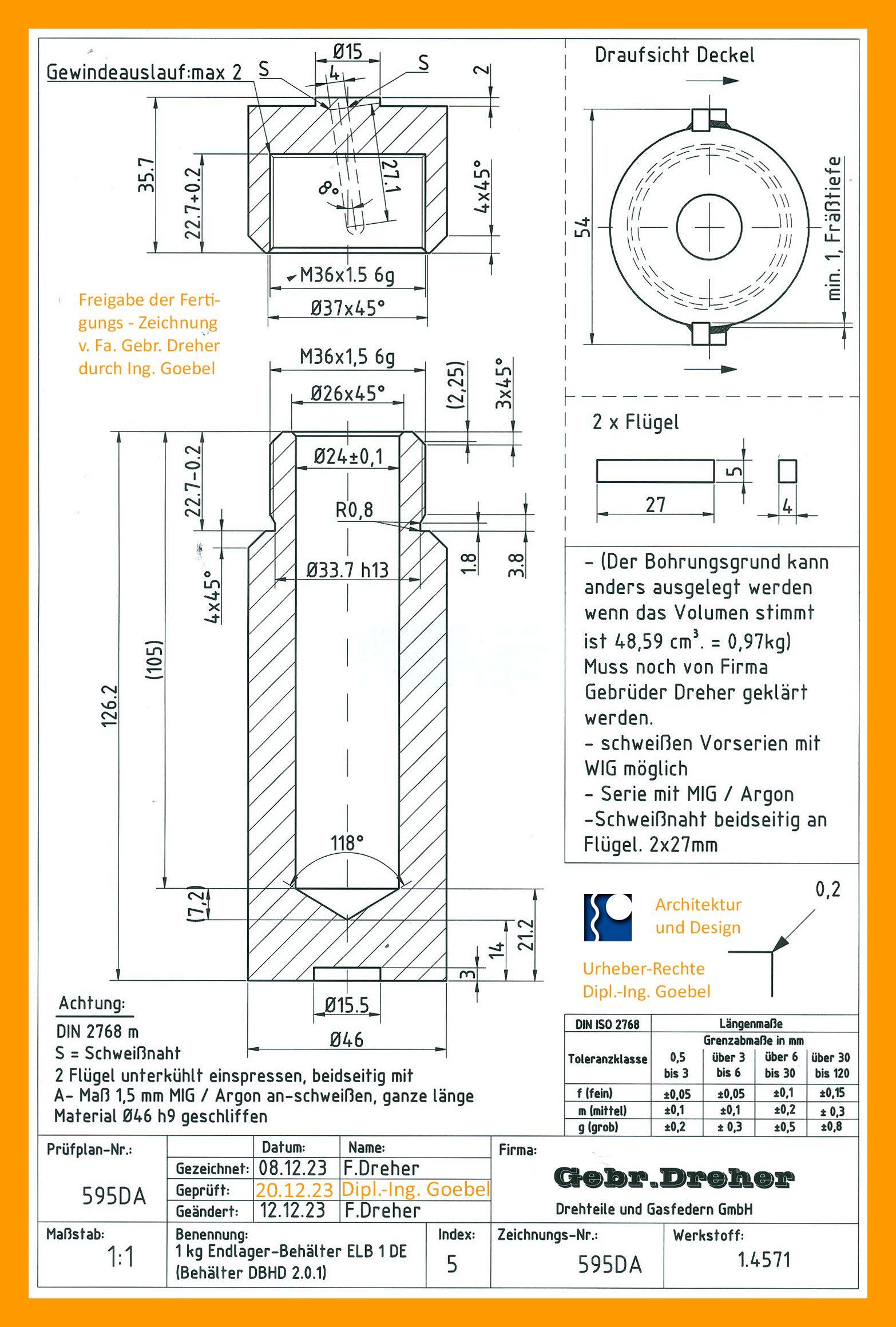
Mit dem 1 kg Inventar-Endlager-Behälter ist die dauerhaft
unterkritische Endlagerung endlich gefunden. - Nach 79 J.
hat die Endlagerung Ihr Geheimnis endlich preisgegeben.
Der Prototyp des ELB 1 DE Endlager-Behälters liegt nun vor.
Befüllung und Messung von Endlager-Behälter und Stahlen-
schutz-Hülle bei Dr. Metz KIT INE in Karlsruhe - Gespräche
DBHD hat das Sicherheits-Niveau eines HLW Endlagers.
Und weil: Tiefe, Wasser- und Luftgekühlte Nur-Schacht-
Bergwerke vergleichsweise ja sehr preiswert sind, wird
die "DBHD Bauweise" nun auch für MWL / LLW Endlager in
Betracht gezogen. DBHD 2.0.1 Planung Bev enthält das bereits.
(Die BGE muss Konrad aufgeben, Grundwasser Salzgitter !!!)
















>>> Nachweis Thermodynamik - Pflicht bei HLW Endlager - Da Nachzerfallswärme aus Endlager Inventar
>>> Dipl.-Physiker Dr. Gerhard Herres, ein lebenslanger Experte für Thermodynamische Berechnungen sendet uns eine noch höher entwickelte Thermodynamische Berechnung zu HLW Endlager !!
.
Quasi 4D Berechnung die einen neuen Stand von Wissenschaft und Technik zeigt ! - Max. Grenztemperatur Stand AG + 123 °C im Jahr 210 in -1.960 Meter Teufe im DBHD HLW Endlager bei Beverstedt.
.
Was Sie da sehen ist NICHT die Wölbung eines Endlagers, sondern ein "Temperatur-Feld in räumlicher und zeitlicher modernster Darstellung." - Dr. Herres zählt zu den allerbesten in seinem Fach.
.
Die Auslegungs-Tabelle für die Endlager-Behälter für die Bergleute ist in der Zusammenfassung enthalten - die 50 MB Original Daten sind auf der Website zum Download verlinkt.

>>> We had first complaints that DBHD wants to operate a plane
as soon as possible - well - look at the task ! - NPP locations ww -
and all waste has to go into all deep salt ww - not a bicycle job !!!




Die DBHD HLW Endlager Entwicklung ist im Finale.
Konkrete Auslegung 5. der Endlager Behälter ELB 01 DE
Mittlere Lager-Bohr-Länge 337 m (Behälter in der Wand)
Thermodynamische Berechnung bestanden ! 08.03.2025
2te thermodynamische Berechnung bestanden !! 23.04.2025
3te thermodynamische Berechnung bestanden !! 03.05.2025
4te thermodynamische Berechnung bestanden !! 10.05.2025
5te thermodynamische Berechnung bestanden !! 10.07.2025
Max. Temperatur-Anstieg + 57,05 K nach 210 Jahren
Wärmster Punkt bzw. Ring im Endlager in -1.960 Tiefe
Gesamt-Grenz-Temperatur 123,05 °C (wg. Stand AG DE)
Max. Gelände-Anhebung 7,6 m nach 240 Jahren D = 500 m
DBHD kommt im August 2025 ins BMUV NaPro DE > EU
Nationales-Entsorgungs-Programm BRD 2011/70/Euratom

Verkauf von Urheber-Rechts-Lizenzen >>> zum Shop
>>> In 2021 Ing. Goebel started a new initiative towards Linear-Motor
powered high speed trains in tunnel-tubes - Now in 2024 we can see
that this cooperation is about to deliver in the near future - Ing. V.G.
auf der Seite 70 - innerhalb Endlager - https://www.ing-goebel.de/gdf-discussion-2021-2/
begann es 2021 mit einer Nachricht aus der Schweiz - und was dann daraus wurde
https://www.ing-goebel.de/gdf-discussion-2021-3/ - da entstand eine Fahrwegs-Idee ...
Jahrelang hatte ich das weit verteilte CN Entwicklerteam zu deren Ortszeit nachts auf
den Servern - und siehe da - die Fahrspur wurde wie geplant - Gute Zusammenarbeit.
Bitte Setzungs-Sensoren in jede stützende Struktur - und Fluchttüren die von innen öffnen
Ehrlich gesagt wünsche ich Euch viel Erfolg ... Eine Einladung nach China werde ich
bei Zeiten annehmen. - Allerdings " you already seem to got it - and you even mananged
to simplify the original draft by Ing. Goebel - an your tube idea - Respect - go for it ... VG"
China Maglev Train - Super-Magnet-Schwebebahn in Unterdruck-Röhre - 1.000 km/h Zug



>>> My dear Chinese friends - after looking at the plans in
2024 - i had to put in a geometry for that the train does not
fly away doing 1.000 km/h if there is hight difference in track
That is track correction by Ing. Goebel after looking onto your planned
speed 1.000 km/h - and - looking onto your pillars in the biosphere - I
can see, that you really want to get there - please - build it SAFE
>>> Was als CST Cargo Sous Terrain begann - und von der Forderung nach Swiss
Metro beflügelt wurde - seine Magnet-Linear-Schwebe Fahrspur aus Deutschland
bekam wird nun als Maglev China ein Land queeren ...
Nord-Süd Trasse 盾構隧道內的直線磁浮軌道

175 MW SMR - Small Modular Reactor - von OKMB - Rosatom - Ing. Goebel hat den Systempreis in RU angefragt ...
Verkauf von Urheber-Rechts-Lizenzen >>> zum Shop
4 SMR Projekte haben es bei Great British Nuclear in die nächste Runde geschafft :
Start the film - see Ing. Goebel - press the start button



Die Endlager-Branche DE steht deshalb still, weil unsere EU Nachbarn eben
keine 7.000 Meter Steinsalz haben. - Wenn wir Endlager DE jetzt excellent
bauen, würde Nord-West-Deutschland zum Atom-Klo Europas ? - ANGST
Erstmalig haben wir : Standort (Beverstedt) und Methode (DBHD 2.0.X)
und Verguss-Halle Castoren und Castor-Transport-Waggon als Planung
zusammen. - Tief, trocken, gas-dicht, absinkend. - Trotzdem geht Nichts.
Gorleben wollte der Staat mit Polizei durchsetzen - gegen die Bürger ...
Endlager Beverstedt Bürger-Vorschlag - aber vom Staat nicht gewollt ?
EU Länder würden fragen, dürfen unsere HLW Behälter da auch runter ?
Seit 1 Jahr bewegt sich gar NICHTS mehr in der Endlager-Branche DE :
- Evaluation Stand AG - Grenztemperaturen fehlt >>> BMUV, U.-Ausschuss
(Die Grenz-Temperatur-Stellungnahme aus Mai 2022 der ESK verhallte ?)
- Napro DE - seit über 2,5 Jahren überfällig !!! >>> EU VvV>>> BMUV, BASE
- eine talentlose, willenlose, hoffnungslose BGE >>> Stand AG erneuern !
- Korrektur der Bauweise für HLW Endlager fehlt >>> BMUV, BASE, U.-A.
- BASE träumt sinnlos vor sich hin - König geht in Haft ? >>> BMUV, BASE
Die Aufsicht ? BfS, BFE, BASE hat leider 25 Jahre lang komplett versagt !
- BGE bringt so gar nichts mehr öffentlich raus ... >>> BGE, BASE, BMUV
- Parallelisierung Stand AG geht gar nicht voran. >>> BMUV, BASE, U.-A.
- Arch. V. Goebel hat inhaltlich, und finanziell, keinerlei Grundlage mehr
für die DBHD-Optimierung. Die thermodynamische Berechnung fehlt !
- und im BMUV Berlin mal wieder ein Satz Total-Anfänger ohne Ahnung !
- BMUV Bonn, Jurist Niehaus telefoniert mit Ing. Goebel - aber Wolfram
König + Peter Hart (langjährig verantwortliche Aufsicht) taten das nie.
- Das NBG ruft zwischen den Zeilen nach "Architektur", aber viel zu leise
Das über-ideale Standort-Auswahlverfahren DE zerbröselte - lautlos !
Die Mittel gehen z. Z. in nasse, sinnlose, untaugliche Bergwerke aus 1970
Die Verantwortlichen Initiatoren für: Konrad, Asse, Morsleben saufen ab,
und Gorleben, sind längst alle tot. Die Aufsicht ? König und Hart schliefen
vor sich hin ! Der Steuerzahler muss nun über 25 Mrd. EUR abschreiben !
Ing. Goebel ist sich seit Ende 2016 sicher, dass die DBHD Planung wirklich
HLW Endlager kann. Seitdem wurde die Planung immer wieder optimiert.
Die EL-Branche fuhr gegen die Wand. Es braucht jetzt die neue Bauweise.
MfG - Volker Goebel - Dipl.-Ing. Arch. - Endlager-Planer - 0178 40 49 665
.

Tabelle Ingenieur-Geologische Kriterien für Tiefe und Temperatur im Standort-Auswahl-Gesetz DE / Criterica HLW GDF Germany

"Grenzen und Möglichkeiten von Wissenschaft" - Vortrag Prof. Dr. Lesch
_______________________________________________________________________________________
18.11.2022 München TU - Veranstaltung zu "Wissenschaft und Endlager"
Es ist integrativ höflich zum Vorredner (Branchen Schwergewicht Chemie Ing. Michael Sailer / BGE)
Lesch kann witzig sein, und er ist durch und durch Wissenschaftler - und dann beginnt auch sofort
ein grausames Profi-Gemetzel - Alle kriegen Ihr Fett weg - Er zeigt, dass er exzellent vorbereitet ist :
hören Sie selbst ab:
https://www.youtube.com/watch?v=QhLSdg-szGE&t=14866s
aus dem Inhalt der Rede :
Hinweis zur Herausforderung : Labor-Bedingungen zu Bauwerk am Ort (oh ja - Bauwerk Endlager
kann z. B. oberirdisch 300 x 365 x 64 Meter sein, und unterirdisch D 20 / Tiefe -2.200 Meter, - dafür
braucht man schon Planer, die Bauwerke in geologischen Umgebungsbedingungen denken können.
Hinweis von Ing. Goebel : Endlager entstand durch Deduktion und Reduktion auf das Notwendige.
Hinweis von Dr. Lesch : "Preis der Endlager-Maschine" wird deshalb entsprechend hoch sein ...
Der Mann ist ein exzellenter Redner, kritisch und Türen aufzeigend - der kann nach kurzer Lektüre
auch komplizierten Endlager-Kram verstehen, - wenn wissenschaftlich annehmbar vorbereitet, der
Mann könnte Endlager der Welt besser erklären als der Ingenieur-Planer, auch besser als der BGE
Betriebswirt-Geschäftsführer - und Lesch hat Übersicht über die gesamte Forschung und Technik.
Er bleib abstrakt, verklausuliert, da soll für viele was dabei sein, manchmal harte Kanten wie in der
Physik selbst - Wenn wir den häufiger vor unseren Karren spannen dürften wär schon was möglich.
Ich wäre sogar bereit mich öffentlich von Prof. Dr. Lesch befragen zu lassen, noch ist er reinen
Herzens und ganz der Mittler zwischen Volk und Wissenschaft - Bis das BGE Geld Ihn dann völlig
korrumpiert hat ? und technisch, inhaltlich alles den Bach runtergeht ...
Können Sie der Mittler im Kriegsgebiet sein ? - Immerhin sind Sie wissenschaftlich eine Institution.
Wir wollen unter extrem kontrollierten Bedingungen nur - 2.200 Meter in Richtung Erd-Inneres.
Sie zeigten uns Hubble Photos die die Milchstrasse von aussen zeigten - Welche Physik herrscht
an Ihrem Wohnort ? - Astro-Physiker, haben die ein Physik Grundstudium absolviert ? - Eher JA.
Plus Erfahrung, plus Studium Generale - plus Telekolleg und TV Prommi- Bonus - Ja, können Sie.
>>> hören Sie selbst ab https://www.youtube.com/watch?v=QhLSdg-szGE&t=14866s
einfach mal nur die ersten Minuten der Rede - da steckt schon viel drin
auch ein Dr. Lesch hat seine Stichwort-Zettel - und dann zaubert er ...
Ich habe mir/uns mal die Kern-Aussagen und Forderungen von Dr. Lesch notiert :
- mind. 3 Endlager-Standort Vorschläge müssen zur Entscheidung vorliegen !
- eine neue Endlager Kommission soll das entscheiden (Erfinder war Dr. Renn)
- Endlager wird immer ein geologisches Endlager sein (ist auch so EU Gesetz)
"Die möglichst tief im Erdinneren verschwinden sollen ... nie wiedersehen"
- Es ist eine Schande das wir uns so im Weg stehen das wir noch kein EL haben
- Wir sollen vor Ort ein Lehr-Institut gründen. (Ja, - wir ziehen die Schule dann um)
Herr Dr. Lesch, die Überprüfung von Bauweisen hat ergeben, dass Endlager um so
sicherer sind, je weniger die rückholbar oder bergmännisch bergbar sind. - Da wir
kein untiefes, deshalb nasses und nicht gas-dicht-verschliessbares horizontales DBE
wollen, ist die Rückholbarkeit auch kaum noch von Bedeutung. DBHD wird ja : tief,
deshalb trocken, und ist immer gas-dicht verschliessbar. - Dort sinken die Pellets
mit den Castoren drin ja auch in 45.000 J. durch das viskose Salz ab auf - 7.500 m. !
Das ist harte Physik. Wir können das nicht beschleunigen und nicht verlangsamen.
Wir leben und arbeiten doch in der besten aller Welten (Länder) - wir haben doch
öffentliche Geologie-Daten, wir haben doch Ingenieure, wir haben doch Geld auf
dem Konto, wir können doch Probebohrungen machen. Aber es gibt auch German
Angst - Angst vor grossen Infrastruktur-Bauwerken ohne historische Vorbilder ...
- Vom Nutzen des Zweifels, von der Neugier, vom Hinterfragen, vom korrigieren
weil man nie gegen besseres Wissen : forschen, planen und arbeiten soll. - JA !
Wir haben es vorher mit GTKW, DBHD, ART-TEL, TTEL versucht - DBHD gewann.
- Wissenschaft und Technik ist nicht unmenschlich, nur radikal logisch, das
ist einfach so. Endlager ist ein temporäres Zugangs-Bauwerk in eine tiefe Geo-
logie - es ist anstrengend so etwas zu denken, zu planen, zu durchdringen. Es
ist eine Zumutung Anderen davon zu erzählen, strengt die Zuhörer sehr an, ist
in kleine Portionen zu verpacken, und kontinuierlich als Technik-Story zu ver-
öffentlichen. Wissenschaft + Technik als Ring-Vorlesung Erwachsenen-Bildung.
- "wer einmal neben einen Castor gestanden hat und die angenehme Wärme
des radioaktiven Zerfalls gespürt hat ..." Herr Dr. Lesch, laut GRS sind es 2.047
Castoren. - Wir sind sicher, dass vom Endlager selbst keine Gefahr ausgeht, die
Auswirkungen einer mit Waffengewalt geöffneten "Dose" bereitet uns Sorgen.
Das wäre ein Unfall mit erheblichen Auswirkungen, den wir aber als noch mit
Mühe dekontaminierbar und sehr regional einschätzen. - Deshalb wollen wir
den Anliegern ABC Schutzanzüge, und Training damit anbieten. Rest-Risiko ...
- Wir sollen als Endlager ein sehr tiefes Loch graben. (Ja, das ist ja auch so geplant)
- "Die entscheidende Frage ist wo kommt das Ding hin" - mit konkreten Optionen die Orts-Randbedingungen ermitteln - Die Gesellschaft wartet darauf - Ing. Goebel
empfiehlt bei Beverstedt genauer zu prüfen. "Das ist ja fürchterlich wie lange das
dauert - die brauchen Hilfe" Ja Herr Lesch. Geologie ist nicht besonders dynamisch.
- "Auf der ganz sicheren Seite sein" - Also eine ganz erhebliche Anstrengung ...
- "Das es immer Leute geben wird, die dann da wegziehen, wo das Endlager
entstehen wird, und das wir da helfen müssen ..." - Ja, wie sie sehen können,
sind mit 8 Mrd. EUR erhebliche, direkte, radiale Anlieger-Kompensationen bereits
geplant. - Bitte Kompensationen ins Stand AG aufnehmen. Sonst brauchen wir uns
an keinem Standort blicken zu lassen.
Sehr geehrter Herr Prof. Dr. Lesch - Wir danken Ihnen für diese motivierende, kritische, wissenschaftliche Betrachtung der Gesamt-Gemengelage in der Endlager- Branche, und hoffen Sie bald wieder als Redner zu hören. - Danke sehr - Wir wünschen Ihnen und Ihrer Familie eine schöne Vor-Weihnachtszeit und stehen für Rückfragen gerne zur Verfügung. Wenn Sie DBHD 2.0.0 bei Beverstedt als Physiker kritisch anschauen ist der allgemeinen Branchen Entwicklung gut gedient. - Danke - MfG - Ing. Goebel 20.11.2022
Oft fehlt es an Peer-Reviewern ...
und zu Ihnen Herr Sailer kommen wir auch noch - bei Ihnen liegt die Ehre der Jahre,
aber auch ein paar ingenieur-technische Fehl-Annahmen über die wir nun im Detail
sprechen können - Sie haben sich ja geäussert ...
Es sind die BGE Schächte die leck sind - Wir bei DBHD haben eine perfekte Bauweise
für Schächte, die den Ringraum zwischen Tübbing-Aussenwand und Berg abdichtet.
Kostet ein Vermögen an Epoxid-2-Komponenten Harz - dient nur der Bau- und Be-
füll-Phase. - Die Menge an Wasser in einem der 16 Rohr-Paare ist nicht sehr gross.
Und DBHD kann man in 13 Jahren ab HEUTE fertig befüllt haben. Eine kurze Bauzeit
und strenge Ingenieur-Disziplin verhindert eben all die Ingenieur-Fehler die die Bau-
weise von Bollingerfehr aus den 70 gern katastrophalerweise mich sich brachte. Wir
bauen einen NEUBAU für ENDLAGER. - SICHERHEIT - Nukleare Langzeit-SICHERHEIT.
.


Der Bundesrat DE hat in seiner Plenarsitzung am am Freitag 25.11.2022 seine Zustimmung für den befristeten Weiterbetrieb der drei Kernkraftwerke Emsland, Isar 2 und Neckarwestheim 2 bis 15.04.2023 !!! gegeben und die entsprechenden Änderungen am Atomgesetz durch Verzicht auf ein Vermittlungsverfahren ge-billigt. Damit ist das parlamentarische Verfahren abgeschlossen, das Gesetz kann nach Unterzeichnung durch den Bundespräsidenten am Tag nach der Verkündung im Bundesgesetzblatt in Kraft treten.
Sehr geehrtes BASE, sehr geehrtes BMUV,
Die Neufassung des AtG hat es durch den Bundesrat geschafft ...
Da man Sie Beide ja bekanntlichermassen zu Arbeit tragen muss,
hier schon mal der erste Entwurf der VWG Klage ... Verhalten Sie
sich im Sinne des Gesetzes bitte. Nehmen Sie Ihre Aufgaben wahr.
Werfen Sie das Einzige was erarbeitet wurde nicht weg - fördern
Sie die Entwicklung von Vorschlägen für Endlager und halten Sie
sich bitte an das dem Stand AG übergeordnete Atomgesetz. Danke.
MfG - Ing. Goebel



Sehr geehrtes BASE, sehr geehrtes BMUV,
Die Neufassung des AtG hat es durch den Bundesrat geschafft ...
Da man Sie Beide ja bekanntlichermassen zu Arbeit tragen muss,
hier schon mal der erste Entwurf der VWG Klage ... Verhalten Sie
sich im Sinne des Gesetzes bitte. Nehmen Sie Ihre Aufgaben wahr.
Werfen Sie das Einzige was erarbeitet wurde nicht weg - fördern
Sie die Entwicklung von Vorschlägen für Endlager und halten Sie
sich bitte an das dem Stand AG übergeordnete Atomgesetz. Danke.
MfG - Ing. Goebel
Es ist Freitag - 15:51 - wünsche Ihnen allen ein schönes Wochenende
https://www.youtube.com/watch?v=IiTQlAr-4wk - Background Tunes

Äußerst selten das ein Jurist aus der Bundesregierung, nur öffentlich, so gute Hinweise geben kann,
dass man als Nicht-Jurist-Ingenieur nach einiger Recherche "endlich den richtigen Hebel findet".
Aber alles im Konsens - Bundesregierung - Behörden - Energieversorger - Danke Euch allen ...
Wir sind ja schon länger "Acting in Concert" Modus - ohne das Licht der Öffentlichkeit zu verlassen.
Trotzdem noch mal Danke - Ist für die Detail-Planung Endlager von Bedeutung - Ihr müsst den EVU
aber auch signalisieren, dass der Entsorgungs-Vorsorge-Nachweis gewollt toleriert ist - schliesslich
wollen wir ein Land der Denker und Ingenieure bleiben. - Ing. Goebel sichert eine gut Leistung zu.
Ist allerdings sein Geld - kann er damit machen was : 3.) reinen Herzens ist 2.) wissenschaftlich-
lernend der Auffindung des Endlagers dient 1.) Grundsätzlich SICHERHEIT und Umweltschutz sieht.
Am 25.11.2022 ist das neue Atomgesetz im Bundesrat - Ich gehe davon aus das der Bundesrat den
tatsächlichen Gesetz-Entwurf dann in den Händen hält. Und das der Paragraph 9a Absatz 1a noch
im Gesetz ist. - Im Bundesanzeiger wird das 2x abgestimmte Gesetz dann veröffentlicht. Dann ist
gültiges Gesetz in Deutschland. - Ing. Goebel orientiert sich am gültigen Gesetz. - VG 16.11.2022
Die Märkische Bank Hagen / Deutschland hat heute im Gespräch gesagt : Das eine Überweisung in
dieser Grössenordnung von den 3 EVU problemlos entgegengenommen und auf dem Deutschen Konto
des Ingenieurs wertgestellt wird. - Das es keine Negativ-Zinsen, sondern zwischen 0,8 und 1,6 %
Zinsen gibt. - Die Summe von 20,4 Mio. EUR Brutto und 9,9 Mio. EUR Netto Firmen-Umsatz wir ja
über 4 Jahre verwendet. - Das Geld bleibt als 1 bis 3 Jährige Festgeld-Anlage bei der Märkischen
Bank in Hagen / Deutschland. - Und ich soll mir dann einen Steuerberater suchen denke ich mal.
RWE, EnBW, PreussenElektra haben formal korrekte Rechnungen erhalten. Int. Abstimmung erf..
Eingang der Zahlung für 1x DBHD 2.0.0 Lizenz mit Entsorgungs-Vorsorge-Nachweis laut Atomgesetz
ist also so weit vorbereitet. - Hier noch mal die DE Bank-Daten Ing. Büro Goebel DBHD im Bild :
Volker Goebel - Dipl.-Ing. Arch.
Endlager-Planer - DBHD - CEO

Die BGE würde das Endlager-Geld schon mehr als komplett verbraucht haben,
bevor es überhaupt zu einer HLW Endlager-Baustelle kommen kann. Schande.
Die BGE GmbH aufspalten, weil sich die 70 ger Jahre Firmen-Philosophie in die
Standort-Auswahl + Endlager-Planungs-Abteilung hinein-frisst wie ein Tumor.
BGE GmbH - bleibt Bau-Unternehmen für Asse, Morsleben, Konrad, Gorleben ...
BGE Tec - braucht kein Mensch - für gar nichts - Quelle der 70 ger J. Bauweise
Geologie- und Planungs-Abteilungs AG für die Standort-Auswahl gründen - und
vom BGE Gelände weg " in eine ganz neue Umgebung " bringen. - Dann werden
die alle wieder "normal" und besinnen sich auf Ihre guten Ausbildungen, und für
den Aufbau einer "vernünftigen" Planungs-Abteilung für HLW Endlager braucht
man tatsächlich Jahre. - Alles fängt beim ARCHITEKTEN den Bauwerks an. - Der
macht die räumliche Auslegung des Endlagers - der hört aber auch auf die Fach-
Ingenieure - Vor Euch liegt noch ein sehr langer Weg, und Ihr arbeitet gegen die
Wand - weil Ing. Goebel Standort und Methode schon definieren konnte. - Aber
es braucht das "Verfahren" !? - Zur "methodischen Legitimation" von Endlager !?
Oder ist das nur eine viel zu idealistische Vorstellung - an der wir scheitern ...
Eine gute Definition der wissenschaftlich begründeten Maximal-Temperaturen
an den bereits beschriebenen Orten im befüllten Endlager kann das "Verfahren"
noch retten !? - Mit den richtigen Kriterien geht das "Verfahren" zügig weiter ...
Gehabt Euch wohl - entweder, bin ich in kurzer Zeit Millionär und Leiter einer
ordentlichen Detail-Planungs-Abt. für die konkreten Endlager, oder ich bin RAUS
Weil ich jetzt essen, wohnen und leben muss. 58 J. - Mit Endlager im Lebenslauf.
Ich gehe davon aus, dass der Paragraph 9a Absatz 1a im Atomgesetz nicht geän-
dert wird. - Bundesanzeiger abwarten ...
Die Probleme mit der DBE Tec, DBE, BGE, BGE Tec, sind leider von wirklich sehr
ernsthafter Natur ! - Die damalige DBE Tec hat mit Bollingerfehr eine Bauweise
auf jedem Kongress präsentiert, die in Kürze für Deutschland zu einer realen
Gefahr wird. - Wir werden von untiefen, nassen, nicht gas-dicht verschliess-
baren Endlagern umzingelt werden. - Durchlauferhitzer nagra Schweiz und
das Finnische Sieb für spätere Freisetzung sind leider nur der Anfang ...

Ja, - ich kannte Eure Vorgänger, und jetzt ist Eure Zeit gekommen - Die CEO der EVU
Ihr seht ja wir mühsam wir krabbeln müssen um Eure Reste ordentlich zu entsorgen.
Weil die neuen CEOs grösstenteils in den Energie-Unternehmen aufwuchsen, dort zu
Meistern + Lenkern wurden. - Respekt - Ohne Strom fiele die Gesellschaft ins Chaos.
Sehr geehrter Herr Dr. Krebber,
Sehr geehrter Herr Dr. Knott,
Sehr geehrter Herr Güsewell,
Mit dem Paragraph 9a Absatz 1a Atomgesetz sind die EVU immer noch in der Pflicht.
Aber keine Angst - Ing. Goebel ist ein konstrukiver Ingenieur - Der "Entsorgungs-Vor-
sorge-Nachweis" wird für viele Jahre das Beste sein was wir haben. - Und Ihr braucht
diesen Nachweis jetzt. - Ihr habt die Rechnungen. - Zahlungs-Eingang ist vorbereitet.
Das Schicksal hat uns zusammengeführt - Ich respektiere Ihre Arbeits-Leistung und
140 Mio. EUR pro EVU aus bereits buchhalterisch abgeschriebenen Kernkraftwerken
ist doch etwas. - 20,4 Mio. €, eine ordentliche Geste, die Innovation in der Endlager-
Branche zu finanzieren - Es bleibt aber auch eine gesetzliche Pflicht. - Auf Jahre ...
BASE und BMUV und Goebel und ... werden Euch wenn nötig daran erinnern.
Ihr könnt bereits jetzt bezahlen - auch die Aktionäre werden das verstehen.
Wir können aber noch das minimal korrigierte Atomgesetz im Bundesanzeiger
abwarten. - Und wenn es dann soweit ist - DANKE - und keine Übergewinnsteuer.

Der Beton der Kuppeln ist erst nach 100 Jahren komplett ausgehärtet.
Wenn man KKW demontieren kann - ist ja weniger dramatisch als viele
vorher dachten, - dann kann man auch Primär-Kühlwasser-Verrohrung
erneuern. - Eine Frage des techn. Vorgehens - Dann noch den Steuer-
stand erneuern - also Kernsanierung des Kraftwerks - und wieder 30 J.
Das sind aber bisher nur "strubbelige Gedanken" eines Ingenieurs ...
Schon eine Blei-Wand, aus der ein Rohr herausschaut, ist ein weitest-
gehend strahlungsfreier Arbeitsraum - Sind die Schweisser halt nur 2
Stunden am Werk - Damit keiner zu viel aufs Dosimeter bekommt ...
Kraftwerks-Standorte werden weiter entwickelt - nicht weggeworfen.
So, - dann wollen wir mal hoffen das RWE, PreussenElektra und EnBW
das Richtige tun - Ing. Goebel wartet - Die Endlager-Planung wartet ...
Wir vertrauen den EVU in Sachen Strom und mehr - Habt Vertrauen ...
Gerade in Krisen hält die Deutschland AG zusammen.


DBHD setzt auf den "vorhabensbezogenen Bebauungsplan" den üblicherweise der Investor vorschlägt.
Da die örtliche Gemeinde genehmigende oder verweigernde Bauaufsichtsbehörde ist wird der vorhaben-bezogene
Bebauungsplan in enger Abstimmung mit der Gemeide erarbeitet. - Erst ein Ratsbeschluss verschafft diesem Plan
dann eine Legitimation, und bei einem positiven Bescheid auch unbegrenzte Gültigkeit.
https://www.google.com/search?q=vorhabenbezogener+bebauungsplan&source=lmns&bih=657&biw=1366&hl=de&sa=X&ved=2ahUKEwjf3qznje_7AhVYwIUKHUnmAw8Q_AUoAHoECAEQAA - dort 2 Themen anschauen
Der qualifizierte Bebauungsplan, § 30 BauGB (Anforderungen an Bebauungspläne)
Ein qualifizierter Bebauungsplan liegt vor, wenn der Plan allein oder gemeinsam mit sonstigen Festsetzungen nach § 9 BauGB mindestens Festsetzungen über die Art und das Maß der baulichen Nutzung, die überbaubaren Grundstücksflächen und die örtlichen Verkehrsflächen enthält.

Es läuft gut in der Schacht-Bohr-Technik für Gross-Löcher
______________________________________________________________________
die SBR Gross-Loch-Bohrtechnik von Herrenknecht nun in der 3 ten Generation
Es begann in Canada - dort 2 erste Schächte die die SBR erbohrt- Teufe zur Zeit über 1.030 Meter - Pottasche
Dann kam Weissrussland - auch Pottasche - erneut 2 Schächte - diesmal mit Förderturm von Redpath Deilmann
Jetzt wird in York England gebohrt - 1 Schacht - Zielteufe ist 1.600 Meter - auch für Pottasche - Dünger
Durch den leistungsfähigen Teleskop-Arm kann die SBR jetzt auch 2 Durchmesser bohren - D 12 Schacht und
D 20 räumen für Mineralien - beim DBHD 2.0.0 kann die Maschine auch beide Durchmesser - Der Herrenknecht
Vertrieb hat das bereits zugesichert. - Auf ein schriftliches Angebot warten wir noch.
Die aktuellsten Schacht-Bauten weisen schon die von Ing. Goebel verwendeten Mittelwand-Schächte mit 2 Förderseilen hin.
Die Schachtbautechnik wird die volle, routinierte Bauweise reichen. - Faktisch kann man das jetzt schon bestellen, wir haben
die Planungen und die Industrie hat die Maschine und mit Redpath-Deilmann und DMC sind jetzt schon 2 Schaubauunter-
nehmen kompetent. Auch die Seiltechnik - Seil und Rolle - ist schon von Oklo und Siemag Tecberg routiniert erhältlich - Die
Unternehmen entwickeln schneller als die Bürokratie stempeln kann. - Wir haben Deckung im Technologie-Bereich.
War ein langer Weg ... Die Spitze dieser Entwicklung ist noch nicht ganz erreicht - Das ist DBHD Endlager.



>>> Jura - Thema Probebohrungen für Endlager
Moin - Sehr geehrte Beverstedter,
Auch 2025 wart Ihr als Standort gut. Ruhig- Angemessen.
>>> Das unbefugte Bohren auf Ihrem Grundstück ist grundsätzlich ein Hausfriedensbruch (§ 123 StGB) und verletzt Ihr Eigentum. Bohrungen dürfen nur mit Ihrer Zustimmung oder aufgrund spezieller gesetzlicher Duldungspflichten (z. B. Hammerschlags- und Leiterrecht des Nachbarrechtsgesetzes für notwendige Reparaturen) erfolgen.
Hier sind die entscheidenden rechtlichen Aspekte:
.
Grundstückseigentum: Ihr Eigentum (§ 903 BGB) erstreckt sich auch in die Tiefe. Bohrungen ohne Erlaubnis sind ein Eingriff.
.
Hammerschlags- und Leiterrecht: Nachbarn dürfen Ihr Grundstück betreten/nutzen, wenn Arbeiten an deren Haus (z.B. Reparaturen) anders nicht möglich sind. Dies muss rechtzeitig angekündigt werden und ist zeitlich begrenzt.
.
Grunddienstbarkeiten: Prüfen Sie das Grundbuch (§ 1018 BGB). Es können Leitungsrechte (z.B. für Gas/Wasser) eingetragen sein, die Bohrungen/Graben erlauben.
.
Notwegerecht: In Ausnahmefällen kann ein Notwegerecht (§ 917 BGB) bestehen, wenn ein Grundstück keine ausreichende Verbindung zum öffentlichen Weg hat.
.
Gefahrenabwehr: Bei rechtfertigendem Notstand (z.B. Wasserrohrbruch) kann ein kurzfristiges Betreten erlaubt sein.
.
Empfehlung: Ohne Ihre Zustimmung ist ein Bohrvorhaben, das nicht auf einer eingetragenen Dienstbarkeit oder dem gesetzlichen Hammerschlagsrecht basiert, illegal.
.
.
Die BGE kann unmöglich abschätzen was für
ein zusammen-geschobenes Salz Sie haben.
DBHD kann weitgehend erahnen und muss
2x Probebohren - 5 % von den 8 Mrd. EUR
Eine Probebohrung kostet 23 Mio. EUR
2 Probebohrungen sind Programm.
Wir danken Herrn BM Dieckmann - es bewirbt
sich Volker Goebel ? 2026 als Bürgermeister.
Beste Grüsse von Ing. Goebel
.
BRAVO
Sehr geehrte Entsorgungs-Kommission ESK,
Sehr geehrte Frau Geologin Prof. Dr. Reichert,
Gruezi - Sehr geehrter Herr Geologe Prof. Dr. Rahn.
Mit Freude lese ich die ESK Stellungnahme zur Grenz-Temperatur
Thematik - Bei "Kompaktion von Salzgrus kam bei mir Freude auf."
Weil die ESK auf den "Pfad der Ingenieurs-Vernunft" kommt,
entwickelt sich auch die nachfolgende Diskussion vernünftig.
Das NBG hat auf die ESK - Ausarbeitung hingewiesen - Gut !
Die generelle Verschluss-Idee "Salz im Salz unter Bergdruck"
Gas-Dichter Verschluss - wurde von mir erstmalig in aller Klar-
heit so formuliert, und dann 4 J. lang wiederholend gefordert.
Ein Verschluss braucht Druck und Wärme. (ca. 1.250 m. Teufe)
Die Aluminium-Dichtungen des Castors schmelzen bei 620 °C
Das Verguss-Blei in den Castoren schmilzt bei 327 °C
Das Steinsalz schmilzt bei 800 °C
Die DBHD 2.0.0 Endlager-Planung sieht eine Grenztemperatur
von 250 °C in der Behälter-Mitte als einen maximalen Wert an.
Und was schreiben wir nun ins Stand AG ? und die 2 Verordnungen
1.) Die Grenztemperatur an der Behälter-Aussenkante muss
zum weiteren Barrieren-Aufbau passen, und innerhalb einer
thermodynamischen Berechnung über die ersten 800 Jahre
nachgewiesen werden. Von den tatsächlichen Temperaturen
aller Bauteile im Endlager darf keine Reduzierung der Lang-
zeit-Sicherheit zu erwarten sein. - Grundsätzlich ist es einem
Stück Stahl oder Uran egal ob es bei 700 °C gelagert wird ...
Prüffähiger Nachweis letzte 5 Auswahl-Standorde zusätzlich
über 1 Mio. Jahre - also den gesamten EL Nachweis-Zeitraum.
Eine thermodynamische Berechung muss sich auf ein konkretes
Endlager System beziehen, das als Entwurfs-Planung vorliegt.
2.) Für jeden Behältertyp der ernsthaft für die HLW Endlagerung DE
betrachtet wird, sind vorher, unabhängig von jedem Gesamt-System
seine Temperatur-Grenze mit Abschlägen physikalisch und material-
technisch zu definieren >> BAM - Es sollen sich in einem Endlager-
behälter "keine Gase gleich welcher Art" von über 2 % Volumen
Anteil befinden. - Denn Gase können sich ausdehnen - und Behälter
von innen öffnen.
3.) Es erfolgt explizit keine Festlegung einer Grenztemperatur an
der Aussenseite eines Endlager-Behälters - Gleichwohl kommt
mit der Korrektur des Stand-AG der "räumliche Nachweis" der
Unter-Kritikaliät über den Nachweis-Zeitraum in die Anforderungen.
4.) Um die Temperaturen im Endlager zu berechnen, müssen alle
verwendeten Bau-Materialien und die Geologie in den Parametern
die für Temperaturen relevant sind bekannt sein. Nur dann ist eine
solche "Thermodynamische Berechung" prüf-fähig. Alle in der Be-
rechnung verwendeten physikalischen Parameter und die verwen-
deten Formeln müssen 100 % prüf-fähig offen gelegt werden ! Es
ist zu den letzten 5 Berechnungen auch ein Peer Review einzuholen.
5.) Eine Thermodynamische Berechnung die für eine der letzten fünf
Standort-Entscheidungen im Auswahl-Verfahren verwendet wird,
muss von mindestens 2 - komplett von einander unabhängigen -
Firmen eigenständig erarbeitet werden. - Es geht dann ein Mittel-
wert aus 3 thermodynamischen Berechnungen in die Entscheidung
für den Endlager-Standort mit ein. (Berechner müssen vereinfachen)
6.) Zum Stand der Technik im Jahr 2022 sind 250 °C für Steinsalz
und 70 °C für Tonstein "eine Grössen-Ordnung" die von Metall-
Behältern nicht überschritten werden soll.
Ende der Korrektur des Stand AG und der nachgeordneten Verordnungen
Ich bedanke mich für Ihren Mut ein wohl entscheidendes Thema der
Endlager-Forschung - Endlager-Planung inhaltlich besprochen zu haben.
"Temperaturen im Endlager" - https://www.ing-goebel.com
Die gut erarbeitete, inhaltsreiche Stellungnahme der ESK zur Grenz-Temperatur
im Endlager für hoch radioaktive, hoch giftige Reststoffe der Strom-Erzeugung
mit Kernenergie gibt wertvolle Hinweise, und bewegt die Endlager-Branche in
Richtung einer realistischen baulichen Möglichkeit für langzeitsicheres Endlager.
Setzen Sie sich für die offizielle Beleihung von Ing. Goebel für die Planung von
Endlagern ein. - Bringen Sie Mittel für die Ausführungs-Planung von DBHD 2.0
auf den Weg. - Für 300.000 EUR für Ausstattung und Honorar Thermodynamiker
und Leitender Architekt kann ich, Volker Goebel - das Thema weiter entwickeln.
Wünsche Ihnen Allen einen schönen und erfolgreichen Tag.
Mit freundlichen, dankbaren Grüssen
Volker Goebel
Dipl.-Ing. Arch.
Endlager-Planer
.


Lassen Sie Ihr Vermögen wachsen
Kunden-Service über Jahrzehnte
Wir führen den Markt beiSicherheit und Preis an
Ihr Dienstleister / your service
34
100%
9
14
Schachtbau ist alles andere als einfach - Die beiden Weltmarktführer kommen aus Deutschland.
Trotz langer Erfahrung, gibt es Probleme bei Schächten für Endlager. - Ing. Goebel ist sich sicher,
dass beide Unternehmen erst lernen müssen die Aussenseite der Schachtwand zum Berg richtig
abzudichten. Für den Mineralien-Abbau ist das kein Thema - man pumpt das Wasser einfach ab,
weil die Mengen im Vergleich zum Gesamt-Bauwerk klein sind. - ABER Endlager müssen dauer-
haft trocken sein - über sehr lange Zeiträume. Es ist notwendig, die Fuge zwischen der Schacht-
Aussenwand, und dem Berg dichtend zu hinterfüllen. Denn aus einem Rinnsal wird über die Zeit-
achse eine kontinuierlich wachsende Wasser-Wegsamkeit. Ing. Goebel empfiehlt Hinter-Füllung
mit teurem Epoxid-Harz über die gesamte Schacht-Höhe. - Ja, Endlager kostet leider viel Geld ...
Es gibt zur Zeit keine Alternativen zu Redpath-Deilmann und Thyssen-Schachtbau. Beide haben
sehr " hartleibig " auf DBHD reagiert, weil die Anforderungen hoch sind, und sich mit dem BGE
Quatsch immer noch Geld verdienen lässt. Die BGE stört den innovativen Wettbewerber DBHD
wo es nur möglich ist ! Entweder die Schacht-Bau-Unternehmen können den Schacht Konrad 2
reparieren, und die Wasserzutritte stoppen - ODER - man wird NICHT in Konrad einlagern, und
die Steuerzahler verbuchen einen "zweistelligen Milliarden-Verlust" und der Ruf Deutschlands
im Endlager-Bau ist ruiniert. - Dies ist ein sehr ernst gemeinter Ordnungs-Ruf von Ing. Goebel
Redpath Deilmann ist innovativ, weil man dort die SBR Bohrtechnik von Fa. Herrenknecht ein-
setzt - über Thyssen Schachtbau kann ich leider nur berichten, dass man mit grossen Worten
einstieg - um sich dann auf BGE Weisung gleich wieder zurückzuziehen. - Sehr enttäuschend !
Ing. Goebel ist auch staatlich geprüfter Künstler - die 2 Kunstwerk-Bilder enthalten Elemente
der Firmen-Logos um eine klare künstlerische Aussage zu ermöglichen. Liebe Rechtsanwälte.
Wir sehen uns vor Gericht ! Als Bürger, Künstler, Ingenieur und Steuerzahler handele ich so !








































































































































































































































